• 方案介绍
  • 附件下载
  • 相关推荐
申请入驻 产业图谱

简单运算器设计Verilog代码Quartus DE1-SOC开发板

09/09 10:54
492
加入交流群
扫码加入
获取工程师必备礼包
参与热点资讯讨论

2-2410101K554543.doc

共1个文件

名称:简单运算器设计Verilog代码Quartus? DE1-SOC开发板

软件:Quartus

语言:Verilog

代码功能:

要求:

①会使用 QuartusⅡ软件编程,帮我正确地编写实验程序;

②熟悉使用FPGA,帮我解决一些关于此实验操作的问题即可。

科目:EDA与 Verilog

期末考试方式:做实验

实验题目:简单运算器

实验要求:完成-7到7的简单的加减、与、异或四种运算功能并对溢出的结果进行修正

FPGA代码Verilog/VHDL代码资源下载:www.hdlcode.com

本代码已在DE1-SOC开发板验证,DE1-SOC开发板如下,其他开发板可以修改管脚适配:

DE1-SOC开发板.png

演示视频:

设计文档:

1.?工程文件

2.?程序文件

3.?程序编译

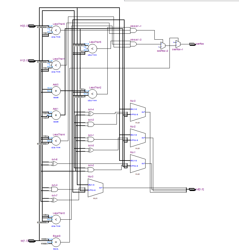
4.?RTL图

5.?管脚分配

6.?Testbench

7.?仿真图

部分代码展示:

`timescale?10ns/1ns
module?alu(
input?[3?:0]in0,//输入4bit,SW0~3
input?[3?:0]in1,//输入4bit,SW4~7
input?[1:0]?op,//输入运算符,SW8~9
output?reg?overflow,//溢出指示--led4
output?reg?[3?:0]out//结果--led0~3
);
wire?signed?[3:0]?signed_in0;
wire?signed?[3:0]?signed_in1;
assign?signed_in0=$signed(in0);//$signed函数对应有符号数操作
assign?signed_in1=$signed(in1);//$signed函数对应有符号数操作
wire?signed?[3:0]?signed_add;
wire?signed?[3:0]?signed_sub;
assign?signed_add=$signed(signed_in0)+$signed(signed_in1);//$signed函数对应有符号数操作
assign?signed_sub=$signed(signed_in0)-$signed(signed_in1);//$signed函数对应有符号数操作

点击链接获取代码文件:http://www.hdlcode.com/index.php?m=home&c=View&a=index&aid=1167

  • 2-2410101K554543.doc
    下载

相关推荐