• 方案介绍
  • 附件下载
  • 相关推荐
申请入驻 产业图谱

两种不同方式分频器设计Verilog代码ISE仿真

09/08 08:50
505
加入交流群
扫码加入
获取工程师必备礼包
参与热点资讯讨论

2-24092912042E22.doc

共1个文件

名称:两种不同方式分频器设计Verilog代码ISE仿真

软件:ISE

语言:Verilog

代码功能:

两种不同方式分频器设计

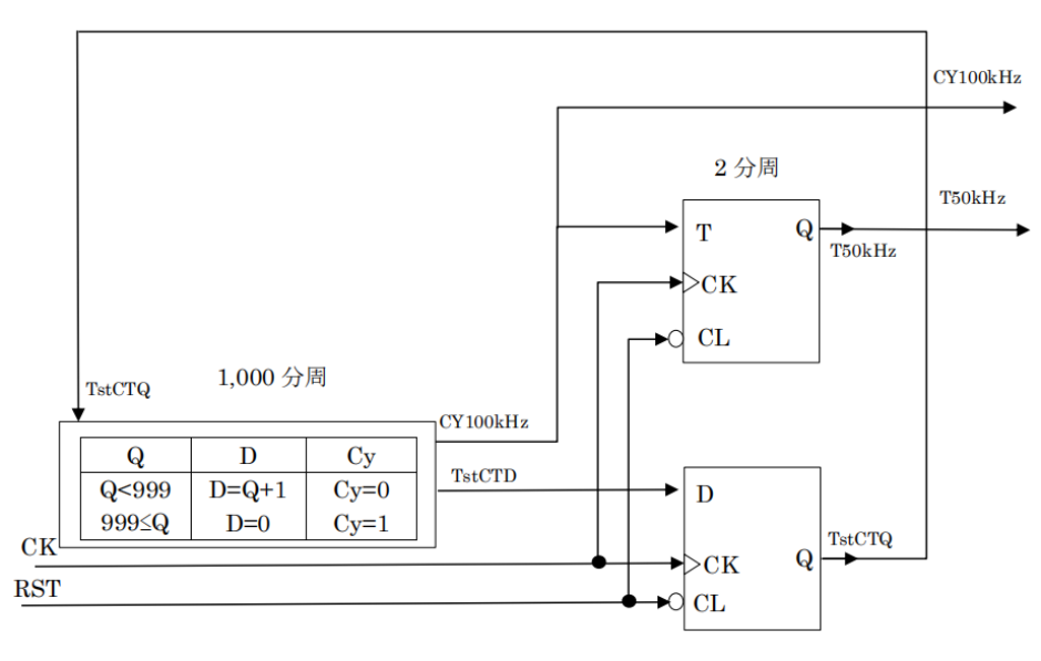
1.?输入为100MHz,要求输出为50kHz

需要将上述程序在不改变回路图的情况下用两种方式改写

换一种语法来写一个

然后是输入1MHz输出100kHz?用10分周而不是上面的5×2的形式

FPGA代码Verilog/VHDL代码资源下载:www.hdlcode.com

演示视频:

设计文档:

1.?输入为100MHz,要求输出为50kHz

写法1代码

Testbench

仿真图

写法2代码

写法3代码

2.?输入1MHz输出100kHz?用10分周

代码

Testbech

仿真图

部分代码展示:

`timescale?1ns?/?1ps
//////////////////////////////////////////////////////////////////////////////////
//?Company:?
//?Engineer:?
//?
//?Create?Date:????22:38:13?07/16/2020?
//?Design?Name:?
//?Module?Name:????Gen100KHz?
//?Project?Name:?
//?Target?Devices:?
//?Tool?versions:?
//?Description:?
//
//?Dependencies:?
//
//?Revision:?
//?Revision?0.01?-?File?Created
//?Additional?Comments:?
//
//////////////////////////////////////////////////////////////////////////////////
module?Gen100kHz?(
input?RST,?
input?CK,?
output?C100kHz
);?
reg?[9:0]TstCTQ;?
reg?C100kQ;?
/*?Counter?For?Frequencu?Overflow?Check?Logic?Part?*/?
always?@(posedge?CK?or?negedge?RST)?begin?
if(RST==0)begin
TstCTQ<=10'd0;
end
else
if(TstCTQ?<?10'd4)?begin
TstCTQ?<=?TstCTQ?+?10'd1;?
end?else?begin?
TstCTQ<=10'd0;
end?
end

点击链接获取代码文件:http://www.hdlcode.com/index.php?m=home&c=View&a=index&aid=1159

  • 2-24092912042E22.doc
    下载

相关推荐