• 方案介绍
  • 附件下载
  • 相关推荐
申请入驻 产业图谱

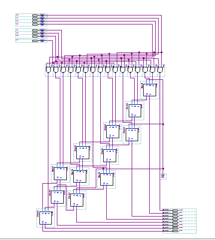
使用原理图的方式实现4位有符号阵列乘法器Quartus仿真

08/08 08:47
389
加入交流群
扫码加入
获取工程师必备礼包
参与热点资讯讨论

2-240R0201S5160.doc

共1个文件

名称:使用原理图的方式实现4位有符号阵列乘法器Quartus仿真

软件:Quartus

代码功能:

使用原理图的方式实现4位有符号阵列乘法器。

在quartus上绘制电路图实现4位有符号阵列乘法器,不使用VHDL或者verilog代码,对电路进行仿真。

FPGA代码Verilog/VHDL代码资源下载:www.hdlcode.com

演示视频:

设计文档:

1.工程文件

2.顶层电路文件

3.编译

4.4位求补器

5.8位求补器

6.阵列乘法器

7.全加器

8.仿真设置

9.仿真图

点击链接获取代码文件:http://www.hdlcode.com/index.php?m=home&c=View&a=index&aid=922

  • 2-240R0201S5160.doc
    下载

相关推荐