• 正文
  • 相关推荐
申请入驻 产业图谱

比创达深耕开关电源 EMC:那些实用的设计经验谈

09/19 17:12
655
加入交流群
扫码加入
获取工程师必备礼包
参与热点资讯讨论

随着电力电子技术的发展,开关电源模块凭借体积小、效率高、工作可靠等优势,逐步取代传统整流电源,广泛应用于各领域。然而,其高频工作特性会产生高 dv/dt 与 di/dt,引发强烈谐波干扰和尖峰干扰,通过传导、辐射、串扰等途径影响自身及周边电子系统,同时也易受外界电磁干扰,这一电磁兼容性(EMC)问题直接关系产品能否通过 3C 认证进入市场。电磁兼容学涉及多学科理论,对开关电源进行 EMC 设计,需先明确兼容标准、关键电路、干扰源及防护措施,比创达在该领域深耕多年,基于丰富实践经验,针对隔离式 DC/DC 变换器的 EMC 设计展开深入研究。

一、开关电源电磁干扰源解析

(一)内部干扰源

二极管反向恢复干扰:开关电源中整流、续流二极管工作在开关状态,导通时产生高压尖峰 VFP,关断时因反向恢复时间 trr 及封装、引线电感,出现反向电压尖峰 VRP 与瞬变反向恢复电流 IRP,成为电磁干扰根源。

开关管开关动作干扰:不同拓扑结构中,开关管电流波形含高频成分,开通时因开关时间短、引线电感产生高 dv/dt 与尖峰电压,关断时产生高 di/dt 与电流尖峰,引发强电磁干扰。

磁性元件干扰:输入滤波电感、功率变压器等磁性元件,因寄生电容漏感、绕组高频脉冲电流饱和状态下的电流突变,产生电磁辐射与耦合干扰;负载突切时还会形成电压尖峰。

其他内部干扰:控制电路高频脉冲信号产生高次谐波;地环路、公共阻抗耦合及控制电源噪声引发干扰;不合理布线通过耦合电容与分布互感串扰或辐射;热辐射以电磁波形式影响元器件稳定工作。

电流电压波形图

(二)外界干扰源


电网谐波、雷电、太阳噪声、静电放电,以及周边高频发射设备,均会对开关电源产生电磁干扰,威胁设备正常运行。

二、电磁干扰的危害

电磁干扰会导致传输信号畸变,影响设备功能;雷电、静电放电等高能量干扰可能直接损坏设备;部分场景下,电磁辐射还会造成重要信息泄漏,带来安全隐患。

三、开关电源 EMC 设计策略

EMC 设计核心是从干扰源、传播途径、受扰设备三方面入手,比创达结合技术积累,针对隔离式 DC/DC 变换器制定以下设计方案:

(一)输入滤波电路设计

采用瞬态电压抑制二极管 FV1、压敏电阻 RV1 吸收瞬变浪涌电流,保护后级电路;选用直流 EMI 滤波器 Z1 并确保良好接地、短接地线及输入输出线屏蔽隔离,切断传导与辐射干扰;L1、C1 组成低通滤波电路,L1 配续流回路吸收断开时电场能,选用闭合磁芯减少漏磁干扰,C1 选大容量以降低输入线纹波电压。

DC/DC变换器输入滤波电路

(二)高频逆变电路设计

在半桥逆变电路中,于变压器原边加 R4、C4 吸收回路,或在开关管两端并联低感电容 C5、C6 并缩短引线,减小回路电感;采用专利 “多层低感复合母排”,将回路电感降至 10nH 级;降低开关频率、采用 ZCS/ZVS 软开关技术,选用低噪声电路拓扑,有效降低电磁干扰。

半桥逆变电路

(三)高频变压器设计

 

选用高电磁屏蔽性磁芯材料,绕制时减小绕组间分布电容,原副边增加接地屏蔽层,阻断高频干扰耦合;将变压器封装于铝壳盒并安装在铝散热器上,灌注电子硅胶,兼顾电磁屏蔽与散热,减少热辐射干扰。

开关管电流、电压波形比较图

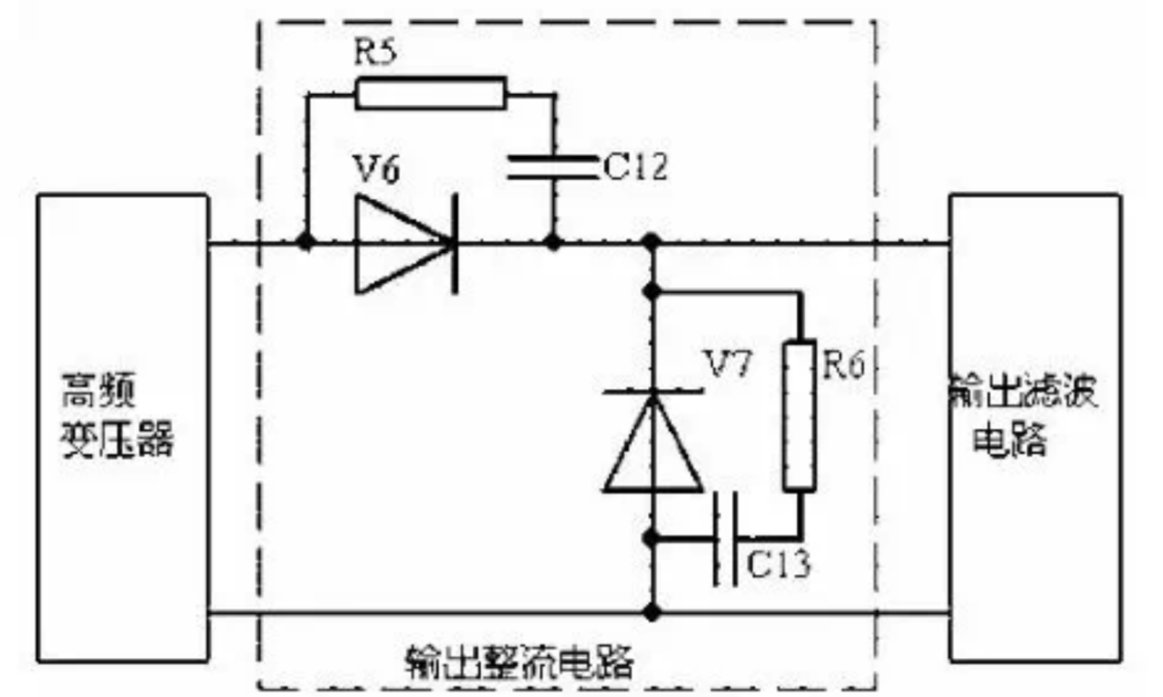
(四)输出整流与滤波电路设计

输出整流电路中,为整流、续流二极管配置 R5C12、R6C13 吸收电路,选用软恢复特性二极管,优先在低输出电压场景用肖特基二极管,减少干扰能量;输出滤波电路采用 LC 滤波,多电容并联减小等效串联电阻,选闭环磁芯电感,搭配低感共模电容、三端差模电容及 EMI 滤波器,切断干扰传播。

输出整流电路电磁兼容设计

(五)其他关键设计

开关器件防护:继电器接触器线圈两端反并联二极管或 RC 吸收电路,交流线圈并压敏电阻,触头加 RC 吸收回路,线圈与辅助电源间加 EMI 滤波器。

箱体结构:根据干扰频率选高电导率或高导磁率金属材料,多层屏蔽应对宽频率干扰;优化孔洞、缝隙设计,用焊接、电磁密封垫处理搭接,通风孔选穿孔金属板或截止波导管,必要时喷涂屏蔽漆。

元器件布局与布线:EMI 滤波器装于机箱入口,敏感元件远离干扰源与热源;主电路控制信号线、输入与输出线等分开走线,避免平行,间距超 20mm,用双绞屏蔽线、同轴电缆,带状电缆按 “信号线 - 地线” 间隔排列。

元器件选型:选高噪声容限 CMOS 器件、低速窄带元件、低分布电感 SMP 元件及高频特性好的滤波电容,控制元器件温升。

控制电路与 PCB:合理选择单点、多点或混合接地方式,用光电耦合器隔离地环路,靠近芯片加解耦电容;PCB 布置地线网络,缩短关键信号地线,多层板中数字地与模拟地同层,降低地线阻抗与干扰耦合。

软硬件优化:开关元件驱动脉冲加 - 5V~-10V 负电平,或用光纤传输驱动信号;通过软件多次采样等数字滤波技术,防止干扰引发误动作。

四、结语

开关电源 EMC 设计是系统工程,比创达通过深入分析干扰源与机理,从电路、结构、软硬件多维度制定设计方案,有效解决隔离式 DC/DC 变换器 EMC 问题,其技术经验为各类电子产品 EMC 设计提供重要参考,助力产品满足 EMC 标准,提升市场竞争力。

相关推荐