• 正文
  • 相关推荐
申请入驻 产业图谱

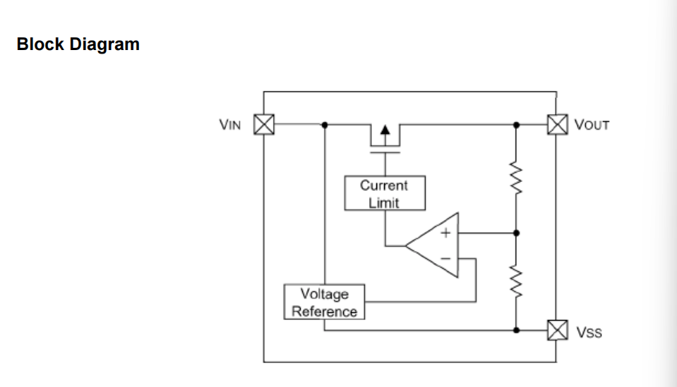
AP1273 LDO 低压差线性稳压器(超低 3.0μA 静态电流 + 18V 高输入)

10/14 10:50
880
加入交流群
扫码加入
获取工程师必备礼包
参与热点资讯讨论

一、产品定位:聚焦工程师核心设计需求

AP1273 系列是深圳市世微半导体基于 CMOS 技术研发的正电压输出三端 LDO 低压差线性稳压器,核心优势在于小压差下的高电流输出能力与超低功耗特性的平衡,同时支持最高 18V 输入电压,可直接适配 “宽电压输入、低静态电流、高精度供电” 等工程师高频设计场景,无需额外设计缓冲电路,兼具性能稳定性与成本优势,可作为同类型中高端 LDO 的高性价比替代方案。

二、核心性能参数:数据驱动选型可靠性

工程师选型的核心是 “参数与场景的精准匹配”,AP1273 的关键性能指标均针对低功耗、高稳定、宽环境适配三大痛点设计,具体参数如下:

超低静态电流:典型值 3.0μA,最大值 4.0μA—— 适配无线通信模块、便携相机等电池供电设备,相比传统 LDO(静态电流多为 10μA+),可延长设备续航超 30%,直接降低电池选型成本;

宽输入与低压差:输入电压最高 18V(兼容 12V/9V 工业总线),压差(VDIF)在输出电流 40mA 时,AP1273A33 典型值 80mV、AP1273A40 典型值 70mV—— 减少压差损耗,提升系统供电效率,尤其适合 “输入电压波动大但输出需稳定” 的微处理器供电场景;

高精度与低温漂:输出电压精度 ±2%,温度系数典型值 ±0.7mV/℃(工作温度范围 - 40~+85℃)—— 在工业级宽温环境下,可保障 LAN 卡、音视频设备等负载的电压稳定性,避免因电压漂移导致的信号失真或算力波动;

强负载适配能力:最大输出电流 250mA(条件:VIN=VOUT+1V),负载调整率典型值 15mV(负载电流 1~60mA 波动)、线路调整率典型值 0.1%/V(输入电压 VOUT+1V~18V 波动)—— 可应对音视频设备的突发电流需求,无需额外设计电流缓冲电路;

高可靠性冗余:绝对最大输出电流 500mA,SOT89-3 与 TO-92 封装的功率 dissipation 达 500mW,SOT23-3 封装达 300mW,为工程师预留充足设计余量,避免极限工况下的芯片损坏。

三、场景化适配:覆盖多领域供电需求

AP1273 的性能特性可直接匹配工程师常见的四大应用场景,无需额外改造电路,具体适配方向如下:

消费电子领域:相机、录像机(超低功耗延长续航,低纹波避免画面波纹);音视频设备(高精度供电保障信号纯净,避免杂音或画面失真);

计算与通信领域:微处理器(±2% 电压精度防止算力波动,250mA 最大输出满足瞬时电流需求);LAN 卡(18V 高输入兼容不同主板供电规格);无线通信设备(3.0μA 静态电流延长电池续航,适配便携通信终端);

工业控制领域:-40~+85℃宽工作温度范围,适配工业恶劣环境;18V 高输入可直接接入工业总线(如 12V 工业电源),无需额外电压转换电路;

便携设备领域:提供 SOT23-3(尺寸 2.7~3.1mm)、TO-92、SOT89-3 三种封装,其中 SOT23-3 支持高密度 PCB 设计,满足小型化便携设备的空间需求。

四、设计友好性:降低开发与调试成本

针对工程师设计过程中的 “便捷性” 与 “容错率” 需求,AP1273 从封装、调试细节两方面优化,具体如下:

多封装适配不同工艺:SOT23-3(贴片,适合高密度 PCB)、TO-92(通孔,调试与维修便捷)、SOT89-3(高散热,适配高功耗场景),工程师可根据 PCB 工艺与散热需求直接选型,无需调整布局;

调试避坑指南:测试时若使用 “AC/DC 电源 + 陶瓷电容”,可能产生瞬时 30V 电压尖峰(超芯片极限电压导致损坏),可通过 “输入端串联 1Ω 电阻” 规避;若使用电解电容钽电容,则无此风险;正常使用时(电池或火电供电 + 任意电容),该现象不发生,直接提供调试解决方案,减少返工成本;

清晰引脚定义:SOT89-3/TO-92 与 SOT23-3 封装的引脚功能统一(1 脚 VSS 接地、2 脚 / 3 脚 VIN 输入、3 脚 / 2 脚 VOUT 输出),工程师更换封装时无需重新设计引脚连接,提升兼容性。

五、技术支持:全周期赋能开发

深圳市世微半导体为工程师提供全周期技术支持,解决选型、调试、量产中的疑问,具体支持方式如下:

技术对接:电话 + 86-0755-29977358,传真 + 86-0755-86248636,工作日 24 小时内响应技术咨询;

资料获取:完整规格书、PCB 参考设计、应用笔记;

现场支持:公司位于深圳市宝安区西乡名优产品展示采购中心 B1 区 326 号(邮编 518000),可就近提供样品测试、现场调试指导,缩短开发周期

六、总结

AP1273 LDO 以 “超低功耗、高稳定性、设计友好” 为核心,既满足消费电子的小型化与续航需求,也适配工业场景的宽温与可靠性要求,可帮助工程师简化电压稳定电路设计、降低调试成本、提升产品竞争力,是高精度供电场景的高性价比选型。建议通过官网或技术电话申请样品测试,快速验证适配性。

相关推荐