• 正文
  • 相关推荐
申请入驻 产业图谱

SL6608:dcdc25V高效升压白光LED驱动芯片,支持单节锂电驱动7串LED灯珠

10/17 08:53
590
加入交流群
扫码加入
获取工程师必备礼包
参与热点资讯讨论
在现代便携式电子设备中,白光LED因其高亮度、低功耗和长寿命等优点,广泛应用于手机背光、相机闪光灯平板电脑等产品中。而如何高效、稳定地驱动LED,成为设计工程师关注的焦点。今天,我们将为大家介绍一款专为白光LED驱动设计的升压转换芯片——SL6608,它不仅具备高效率、小尺寸等优势,还集成了多种保护功能,是便携设备LED驱动的理想选择。

高效节能,性能卓越

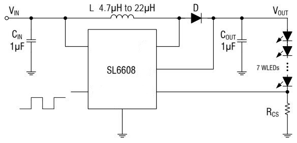
SL6608是一款专为单节锂电池供电设备设计的升压转换器,可驱动多达7颗串联的白光LED。其转换效率高达90%,极大程度地提升了电池的使用时间,非常适合对功耗要求严格的移动设备。
芯片采用1.2MHz固定频率的电流模式控制架构,不仅能有效减小外部电感电容的尺寸,还能在宽输入电压范围(3V~24V)内稳定工作,确保LED电流精度高、波动小。

集成度高,外围简洁

SL6608内部集成了功率MOSFET,仅需极少的外部元件即可构建完整的LED驱动电路。其反馈电压低至200mV,显著降低了采样电阻上的功率损耗,进一步提升了系统效率。
此外,芯片还支持软启动与PWM调光功能,调光频率范围宽,有效避免了启动时的电流冲击和调光过程中的音频噪声,带来更平滑、更安静的亮度调节体验。

全面保护,安全可靠

为保障系统在各种异常情况下仍能稳定工作,SL6608内置了多重保护机制,包括:
欠压锁定(UVLO)
过温保护
输出过压保护OVP
内部电流限制
这些功能共同确保了芯片在短路、过载、高温等恶劣环境下仍能安全运行,大大提升了产品的可靠性。

小巧封装,节省空间

SL6608采用SOT23-6封装,体积小巧,非常适合空间受限的便携设备,如智能手机、数码相机、PDA等。其紧凑的设计不仅节省PCB布局面积,也降低了整体BOM成本。

典型应用场景

手机、智能设备LED背光
摄像机补光
便携式媒体设备显示背光

相关推荐