• 方案介绍
  • 附件下载
  • 相关推荐
申请入驻 产业图谱

数码管显示控制设计Verilog代码Quartus仿真

09/28 11:09
636
加入交流群
扫码加入
获取工程师必备礼包
参与热点资讯讨论

2-2411051Q23RP.doc

共1个文件

名称:数码管显示控制设计Verilog代码Quartus仿真

软件:Quartus

语言:Verilog

代码功能:

数码管显示控制

FPGA代码Verilog/VHDL代码资源下载:www.hdlcode.com

演示视频:

设计文档:

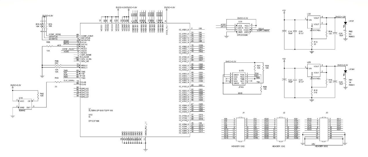
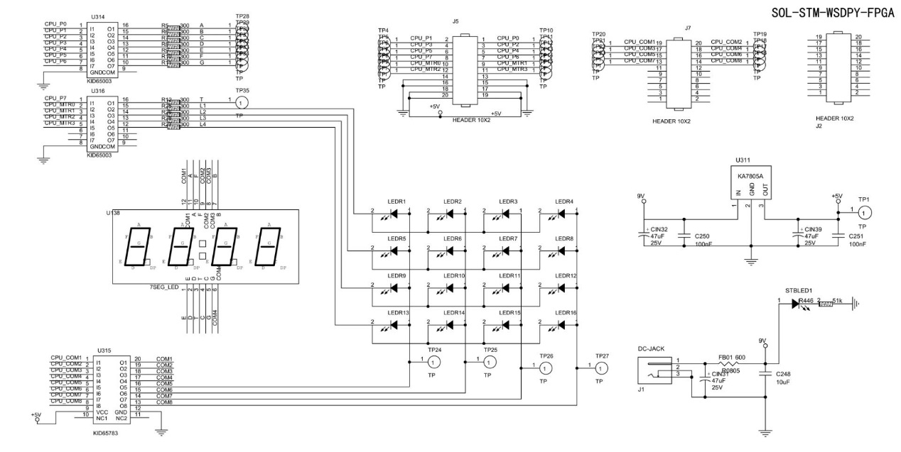
1. 数码管电路

2. 工程文件

3. 程序文件

4. 程序编译

5. 管脚分配

部分代码展示:

//数码管显示66:66,LED全亮
module?segment(
input?clk,
//LED控制
output?CPU_COM5,
output?CPU_COM6,
output?CPU_COM7,
output?CPU_COM8,
output?CPU_MTR0,
output?CPU_MTR1,
output?CPU_MTR2,
output?CPU_MTR3,
//数码管控制
output?[3:0]?COM,//位选
output?[7:0]?SEG//ABCDEFp
);
//LED全亮
assign?CPU_COM5=0;//输出高电平
assign?CPU_COM6=0;
assign?CPU_COM7=0;
assign?CPU_COM8=0;
assign?CPU_MTR0=1;//输出低电平
assign?CPU_MTR1=1;
assign?CPU_MTR2=1;
assign?CPU_MTR3=1;

点击链接获取代码文件:http://www.hdlcode.com/index.php?m=home&c=View&a=index&aid=1318

  • 2-2411051Q23RP.doc
    下载

相关推荐