• 方案介绍
  • 相关推荐
申请入驻 产业图谱

工业网口防护方案:EtherCAT 协议的静电浪涌防护设计

10/30 09:06
290
加入交流群
扫码加入
获取工程师必备礼包
参与热点资讯讨论

一、工业常用网口协议分类

工业场景中,网口协议需兼顾 “通信稳定性”“同步精度”“抗干扰能力” 三大核心需求,不同协议因设计目标差异,在防护方案选型上存在本质区别,主流分类如下:

·实时控制类协议:以 EtherCAT、Profinet IRT 为代表,核心优势是纳秒至微秒级同步精度,支持数千个从站级联,适用于汽车生产线、光伏逆变器集群等需精准协同的场景;防护需重点关注 “低寄生电容”“无额外延迟”,避免破坏同步逻辑。

·通用工业以太网协议:以 Modbus TCP、Ethernet/IP 为代表,基于传统 TCP/IP 架构改良,兼容性强但实时性较弱(毫秒级延迟),适用于楼宇自控、普通机床监控等场景;防护侧重 “低成本”“易集成”,对容值、延迟要求相对宽松,上海雷卯电子针对此类场景也推出了高性价比防护器件组合。

高速传输类协议:以 Glink(分高速 / 通用型)、10Gigabit Ethernet 为代表,侧重大数据量高速传输(如工业相机图像、风电设备状态监测数据);高速型需兼顾 “低延迟” 与 “高带宽”,通用型可优先平衡成本与基础防护。

 

在工业分布式控制场景中,EtherCAT 协议因支持 65535 个从站、纳秒级同步精度,成为汽车生产线、光伏设备、风电变桨系统的核心通信协议;这类场景中,电机启停浪涌、粉尘静电、户外雷击感应等干扰,常导致 EtherCAT 从站断连、帧滑动延迟超标的问题 —— 其根源在于防护方案未匹配 EtherCAT 的 100Base-TX 差分信号特性与拓扑需求。本文结合雷卯 EMC 技术方案,拆解 EtherCAT 协议的专属防护逻辑。

、EtherCAT 防护的核心约束:标准与协议

EtherCAT 接口需同时满足工业 EMC 强制标准与协议自身特性要求,二者共同决定防护器件选型:

1. 静电浪涌强制标准

?静电(ESD:需符合 IEC 61000-4-2 标准,达到Criterion A 级(无通信中断、无性能下降),具体指标为接触放电 8kV、空气放电 15kV;

?浪涌:IEC 61000-4-5 电源端口 ±4kV(线 - 地)、信号端口 ±2kV(线 - 线),干扰波形为 8/20μs(工业场景最常见的感性负载启停浪涌波形);

2. 协议特性限制

?寄生电容敏感:100Base-TX 差分信号(TX+/TX-)对防护器件的单个寄生电容临界值为 5pF,容值超标会导致帧滑动处理延迟超 500ns,直接破坏从站同步精度;

?拓扑兼容性:EtherCAT冗余环网自愈时间需 < 50ms,防护电路(如 GDT、TVS 的响应时间)不能引入额外延迟(需 < 1μs);

?PHY 芯片耐受:多数 EtherCAT PHY 芯片(如 TI DP83848)耐压≤18V,防护器件钳位电压需严格控制在此阈值内,避免芯片过压损坏。

、EtherCAT分场景防护方案:从普通到强干扰环境

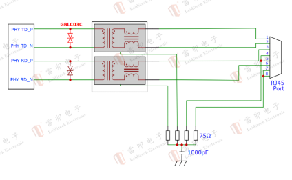
1. 场景 1:普通工业环境

干扰特点:粉尘静电积累(±5kV)、小型电机启停干扰(<±1kV),无直接雷击风险;

核心需求:平衡信号保真与成本,无需过度防护;

雷卯适配方案

 

信号端防护:雷采用卯二级防护设计,保证百兆网口信号完整性与高温环境下可靠工作,符合 IEC 61000-4-2 4 级标准(接触放电 8kV、空气放电 15kV)。

 

电源端防护并联 SMDJ26CATVS 管(钳位电压 42V,适配 24V 工业电源,预留电源波动余量,如用40V DCDC 可采用雷卯3LM26CA或3LM33CA 这种回扫型的钳位电压更低的TVS二极管),阻断电源侧浪涌串入。

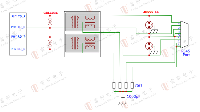
2. 场景 2:强干扰环境(汽车焊装线、电机集群)

干扰特点:大功率电机启停浪涌(±3kV)、车身静电(±12kV),共模干扰耦合明显;

核心需求:大电流泄放 + 信号保真双兼顾;

雷卯分级防护方案

第一级:浪涌泄放RJ45 端口串联雷卯 3R090-5SGDT(气体放电管),击穿电压 90V,可泄放90%浪涌电流,避免大能量直接冲击 PHY 芯片;

 

第二级:静电钳位 + 残压控制:后置 GBLC03C,将残压严格控制在安全阈值内,同时保证差分信号无失真。

 

EtherCAT 防护的核心是 “在 EMC 合规与信号同步精度间找平衡”—— 既要通过分级防护(GDT 泄放 + TVS 钳位)满足 IEC 61000-4 系列标准,又要严格控制防护器件的寄生电容(≤5pF / 单个)与延迟(<1μs),避免破坏协议的纳秒级同步逻辑;上海雷卯电子的方案已通过多家工业设备厂商验证,可直接落地应用。

在工业通信领域,不同协议的防护逻辑需紧扣其核心特性 —— 除 EtherCAT 外,另一类核心协议 Glink 因分为高速与通用两大类型,防护需求差异显著(高速型侧重 “低延迟保同步精度”,通用型侧重 “低成本与兼容性”)。下一篇雷卯 EMC 小哥将聚焦这两类 Glink 协议的场景化防护方案,进一步拆解 “协议特性决定防护选型” 的核心逻辑

Leiditech雷卯电子致力于成为电磁兼容解决方案和元器件供应领导品牌,供应ESD、TVS、TSS、GDT、MOV、MOSFET、Zener、电感等产品。雷卯自建免费实验室,拥有一支经验丰富的研发团队,能够根据客户需求提供个性化定制服务,为客户提供最优质的解决方案。

相关推荐

方案定制

去合作
方案开发定制化,2000+方案商即时响应!

雷卯电子是中国电磁兼容解决方案和元器件供应领导品牌。成立于2011年,品牌Leiditech,是国家高新技术企业。公司研发团队由留美博士和TI原开发经理组建,凭借技术精湛的研发队伍和经验丰富的电磁兼容行业专家,主要提供防静电TVS/ESD以及相关EMC元器件(放电管TSS/GDT、稳压管ZENER、压敏电阻MOV、整流二极管RECTIFIER、自恢复保险丝PPTC、场效应管MOSFET、电感)。