名称:上课作息时间打铃器设计Verilog代码VIVADO仿真
软件:VIVADO
语言:Verilog
代码功能:
在 Vivado软件中设计一个面向学校上课作息时间的打铃器。
具体要求如下:
基本功能:
1.按照学校上课作息时间点定时打铃,每次打铃时长5秒。
2.具备电子钟的功能,能够完成24小时、60分和和60秒的计时。
3.电子钟走时不准确时,可对时和分进行调整。
4.用数码管显示小时和分钟的计时值。
FPGA代码Verilog/VHDL代码资源下载:www.hdlcode.com
演示视频:
设计文档:
1. 工程文件
打铃时间为:
2. 程序文件
3. 程序编译
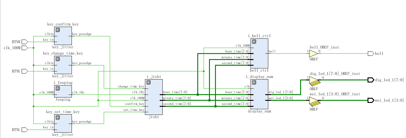
4. RTL图
5. Testbench
6. 仿真图
整体仿真图
按键检测模块
分频模块
计时模块
显示模块
打铃模块
部分代码展示:
`timescale?1ns?/?1ps //顶层 module?digital_clock( input?clk_100M,//100MHz input?BTNL,//设置时间 input?BTNR,//确认 input?BTNU,//设置时分秒 output?bell,//打铃 //数码管显示 output???[7:0]?dig_led_1,//数码管段选 output???[3:0]?wei_led_1//数码管位选 ????); wire?set_time_key;//设置时间 wire?confirm_key;//确认 wire?change_time_key;//设置时分秒 wire?clk_1Hz; wire?[7:0]?hour_time;//时 wire?[7:0]?minute_time;//分 wire?[7:0]?second_time;//秒 //按键检测模块 key_jitter?key_set_time_key( ?????.?clkin(clk_100M), ?????.?key_in(BTNL),//输入 ?.?key_posedge(set_time_key)//按键上升沿 ); //按键检测模块 key_jitter?key_confirm_key( ?????.?clkin(clk_100M), ?????.?key_in(BTNR),//输入 ?.?key_posedge(confirm_key)//按键上升沿 ); //按键检测模块 key_jitter?key_change_time_key( ?????.?clkin(clk_100M), ?????.?key_in(BTNU),//输入 ?.?key_posedge(change_time_key)//后按键上升沿 ); //分频模块 fenping?i_fenping( .?clk_100M(clk_100M), .?clk_1Hz(clk_1Hz) ); //计时 jishi?i_jishi( .?clk_100M(clk_100M), .?clk_1Hz(clk_1Hz), .?set_time_key(set_time_key),//设置时间 .?confirm_key(confirm_key),//确认 .?change_time_key(change_time_key),//设置时分秒 .?hour_time(hour_time),//时 .?minute_time(minute_time),//分 .?second_time(second_time)//秒 ); //显示模块 display_num?i_display_num( .?clk(clk_100M), .?hour_time(hour_time),//时 .?minute_time(minute_time),//分 .?second_time(second_time),//秒 .?dig_led_1(dig_led_1), .?wei_led_1(wei_led_1) ); //打铃模块 bell_ctrl?i_bell_ctrl( .?clk_100M(clk_100M), .?hour_time(hour_time),//时 .?minute_time(minute_time),//分 .?second_time(second_time),//秒 .?bell(bell)?//打铃,每次5秒 ); endmodule
点击链接获取代码文件:http://www.hdlcode.com/index.php?m=home&c=View&a=index&aid=1013
阅读全文
536