• 方案介绍
  • 附件下载
  • 相关推荐
申请入驻 产业图谱

脉冲宽度测量电路设计Verilog代码VIVADO仿真

08/08 08:34
388
加入交流群
扫码加入
获取工程师必备礼包
参与热点资讯讨论

2-240624194913139.doc

共1个文件

名称:脉冲宽度测量电路设计Verilog代码VIVADO仿真

软件:VIVADO

语言:Verilog

代码功能:

脉冲宽度测量电路设计

内容及要求

脉冲宽度测量电路,输出脉冲持续时间。

(1)采用系统的1M输入时钟作为测量基准;

(2)输入高电平脉冲,异步于时钟;

(3)数码管显示当前脉冲的持续时间,可复位为0;

(4)记忆至少3个测量值,靠按键回显;

(5)使用实验室的开发箱或自备开发板完成设计;

(6)完成全部流程:设计规范文档、模块设计、代码输入、功能仿真、约束与综合、时序仿真、下载验证等。

FPGA代码Verilog/VHDL代码资源下载:www.hdlcode.com

演示视频:

设计文档:

1. 工程文件

2. 程序文件

3. 程序编译

4. RTL图

5. Testbench

6. 仿真图

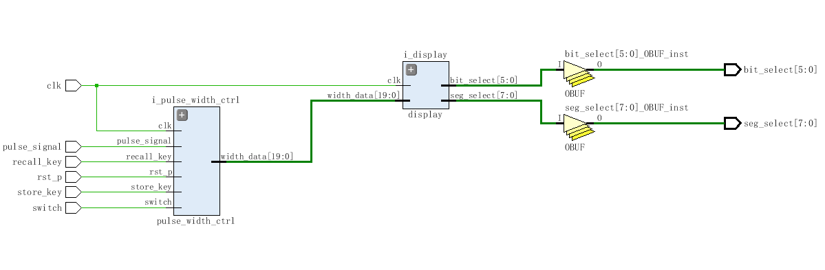
脉冲测量模块

数码管显示模块

部分代码展示:

//脉冲宽度测量电路
module?pulse_width_ctrl(
input?clk,//时钟1M
input?rst_p,//复位
input?pulse_signal,//输入高电平脉冲信号
input?switch,//切换实时测量还是回显
input?store_key,//存储按键,按一次存一个
input?recall_key,//回显按键,按一次调用一次回显
output?reg?[19:0]?width_data//测量值
);
//检测下降沿
reg?pulse_signal_buf0;
reg?pulse_signal_buf1;
//D触发器打2拍
always@(posedge?clk)
begin
pulse_signal_buf0<=pulse_signal;
pulse_signal_buf1<=pulse_signal_buf0;
end
wire?pulse_signal_neg;
assign?pulse_signal_neg=~pulse_signal_buf0?&?pulse_signal_buf1;//脉冲下降沿
//脉冲高电平计数
reg?[19:0]?cnt=20'd0;
always@(posedge?clk?or?posedge?rst_p)
if(rst_p)
cnt<=20'd0;
else

点击链接获取代码文件:http://www.hdlcode.com/index.php?m=home&c=View&a=index&aid=902

  • 2-240624194913139.doc
    下载

相关推荐